Non ci sono articoli nel tuo carrello
Prodotti
SCHEDA ARTICOLO

6020/C4

CUSCINETTO
Codice: 56207
Disponibilità: Disp. limitata
Disponibilità: 3 disponibile
Marca: SKF
Unità di misura: NR
Quantitativi ammessi: multipli di 1X
Da preventivare

Descrizione

Dimensioni: Foro: 100 mm Diametro: 150 mm Spessore: 24 mm Peso: 1,2247 kg


Dettagli

  • EAN-Code : 07316577100931
  • Taric number : 84821090

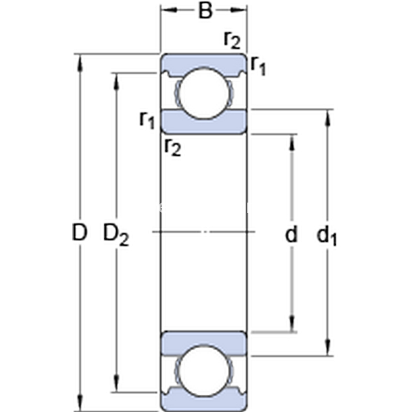
Dimensioni
d 100mm
D 150mm
B 24mm
d1115.95mm
D2138.3mm
r1,2min.1.5mm
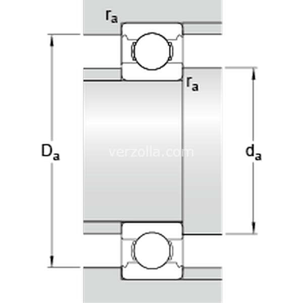
Dimensioni Dello Spallamento
damin.107mm
Damax.143mm
ramax.1.5mm
Dati Di Calcolo
Coefficiente di carico dinamicoC 63.7kN
Coefficiente di carico statico di baseC0 54kN
Carico limite di faticaPu 2.04kN
Velocità di riferimento  9500r/min
Velocità limite  5600r/min
Fattore di calcolokr 0.025 
Fattore di calcolof0 15.9 
Massa
Massa cuscinetto  1.26kg