Non ci sono articoli nel tuo carrello
Prodotti
SCHEDA ARTICOLO

6021/C4

CUSCINETTO
Codice: 94399
Disponibilità: Non disponibile
Disponibilità: Disponibile
Marca: SKF
Unità di misura: NR
Quantitativi ammessi: multipli di 1X
Da preventivare

Descrizione

Dimensioni: Foro: 105 mm Diametro: 160 mm Spessore: 26 mm Peso: 1,5629 kg


Dettagli

  • EAN-Code : 07316577066565
  • Taric number : 84821090

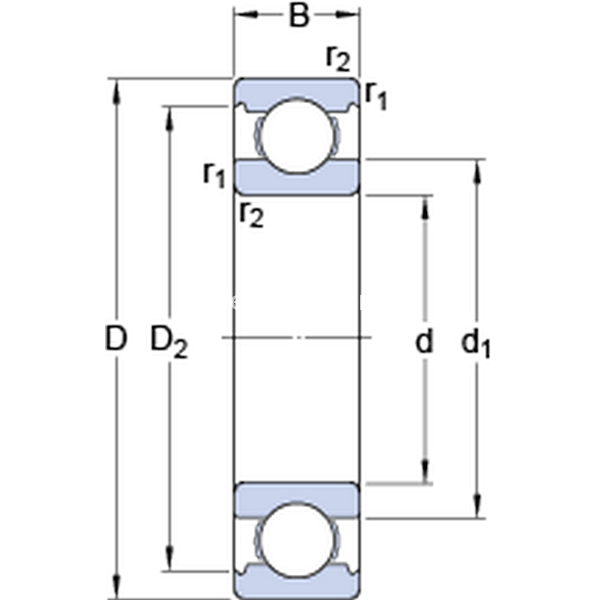
Dimensioni
d 105mm
D 160mm
B 26mm
d1122.5mm
D2146.8mm
r1,2min.2mm
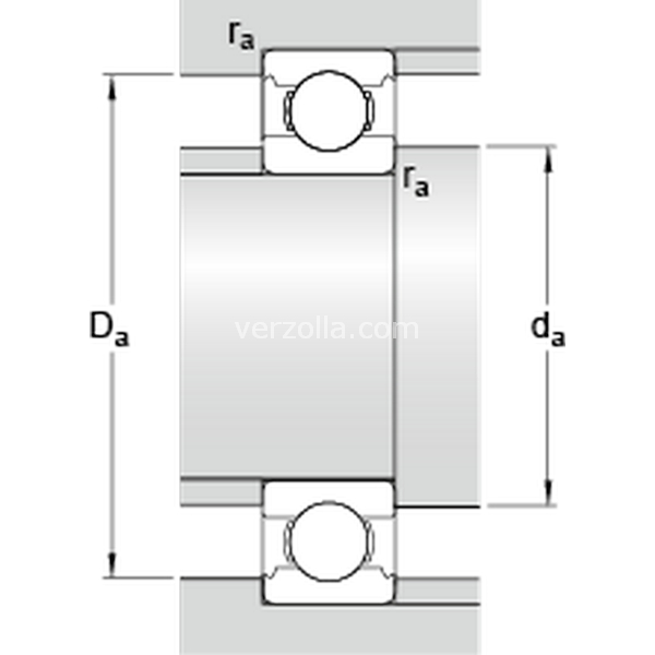
Dimensioni Dello Spallamento
damin.116mm
Damax.149mm
ramax.2mm
Dati Di Calcolo
Coefficiente di carico dinamicoC 76.1kN
Coefficiente di carico statico di baseC0 65.5kN
Carico limite di faticaPu 2.4kN
Velocità di riferimento  8500r/min
Velocità limite  5300r/min
Fattore di calcolokr 0.025 
Fattore di calcolof0 15.8 
Massa
Massa cuscinetto  1.6kg