Non ci sono articoli nel tuo carrello
Prodotti
SCHEDA ARTICOLO

61901

CUSCINETTO
Codice: 55902
Disponibilità: disponibile
Disponibilità: 63 disponibile
Marca: SKF
Unità di misura: NR
Quantitativi ammessi: multipli di 1X
€10,55

Descrizione

Dimensioni: Foro: 12 mm Diametro: 24 mm Spessore: 6 mm


Dettagli

  • EAN-Code : 07316576639159
  • Taric number : 84821010

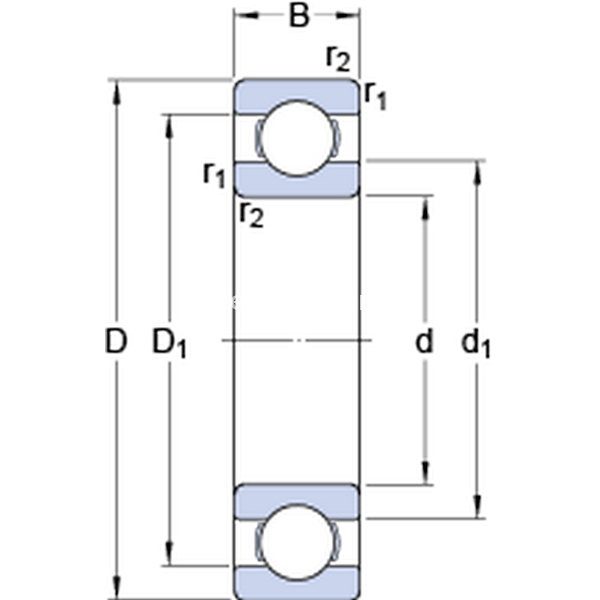
Dimensioni
d 12mm
D 24mm
B 6mm
d116mm
D120.3mm
r1,2min.0.3mm
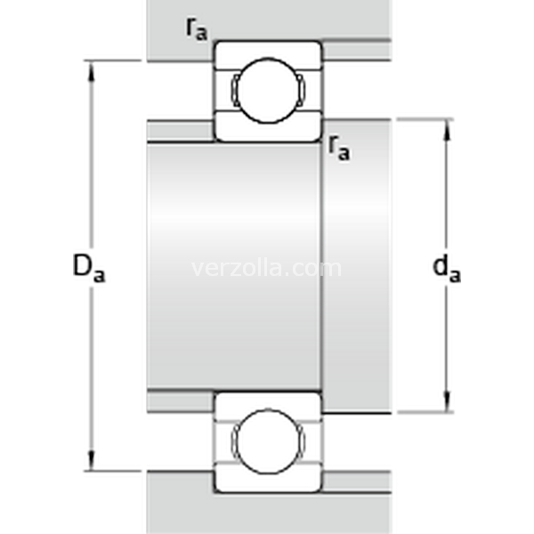
Dimensioni Dello Spallamento
damin.14mm
Damax.22mm
ramax.0.3mm
Dati Di Calcolo
Coefficiente di carico dinamicoC 2.91kN
Coefficiente di carico statico di baseC0 1.46kN
Carico limite di faticaPu 0.062kN
Velocità di riferimento  67000r/min
Velocità limite  40000r/min
Fattore di calcolokr 0.02 
Fattore di calcolof0 14.5 
Massa
Massa cuscinetto  0.011kg