Non ci sono articoli nel tuo carrello
Prodotti
SCHEDA ARTICOLO

61912

CUSCINETTO
Codice: 52853
Disponibilità: disponibile
Disponibilità: 58 disponibile
Marca: SKF
Unità di misura: NR
Quantitativi ammessi: multipli di 1X
Da preventivare

Descrizione

Dimensioni: Foro: 60 mm Diametro: 85 mm Spessore: 13 mm


Dettagli

  • EAN-Code : 07316577121998
  • Taric number : 84821090

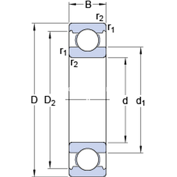
Dimensioni
d 60mm
D 85mm
B 13mm
d168.3mm
D278.7mm
r1,2min.1mm
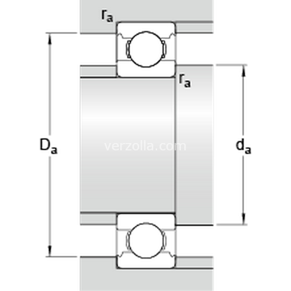
Dimensioni Dello Spallamento
damin.64.6mm
Damax.80.4mm
ramax.1mm
Dati Di Calcolo
Coefficiente di carico dinamicoC 16.5kN
Coefficiente di carico statico di baseC0 12kN
Carico limite di faticaPu 0.6kN
Velocità di riferimento  16000r/min
Velocità limite  10000r/min
Fattore di calcolokr 0.02 
Fattore di calcolof0 13.9 
Massa
Massa cuscinetto  0.2kg