Non ci sono articoli nel tuo carrello
Prodotti
SCHEDA ARTICOLO

61938 MA

CUSCINETTO
Codice: 08755
Disponibilità: Disp. limitata
Disponibilità: 4 disponibile
Marca: SKF
Unità di misura: NR
Quantitativi ammessi: multipli di 1X
€1100,94

Descrizione

Dimensioni: Foro: 190 mm Diametro: 260 mm Spessore: 33 mm Peso: 5,25 kg


Dettagli

  • EAN-Code : 07316577095404
  • Taric number : 84821090

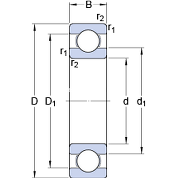
Dimensioni
d 190mm
D 260mm
B 33mm
d1212.6mm
D1238.2mm
r1,2min.2mm
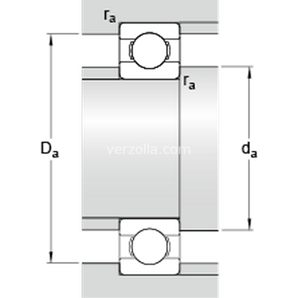
Dimensioni Dello Spallamento
damin.199mm
Damax.251mm
ramax.2mm
Dati Di Calcolo
Coefficiente di carico dinamicoC 117kN
Coefficiente di carico statico di baseC0 134kN
Carico limite di faticaPu 3.8kN
Velocità di riferimento  5000r/min
Velocità limite  4300r/min
Fattore di calcolokr 0.02 
Fattore di calcolof0 16.6 
Massa
Massa cuscinetto  5.21kg