Non ci sono articoli nel tuo carrello
Prodotti
SCHEDA ARTICOLO

6206-2RZ

CUSCINETTO
Codice: H5584
Disponibilità: disponibile
Disponibilità: 103 disponibile
Marca: SKF
Unità di misura: NR
Quantitativi ammessi: multipli di 1X
Da preventivare

Descrizione

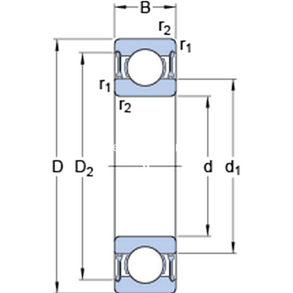
Dimensioni: Foro: 30 mm Diametro: 62 mm Spessore: 16 mm Peso: 0,201 kg


Dettagli

  • EAN-Code : 07316570217582
  • Taric number : 84821090

Dimensioni
d 30mm
D 62mm
B 16mm
d140.36mm
D254.06mm
Dimensioni Dello Spallamento
damin.35.6mm
damax.40.3mm
Damax.56.4mm
ramax.1mm
Dati Di Calcolo
Coefficiente di carico dinamicoC 20.3kN
Coefficiente di carico statico di baseC0 11.2kN
Carico limite di faticaPu 0.475kN
Velocità di riferimento  24000r/min
Velocità limite  12000r/min
Fattore di calcolokr 0.025 
Fattore di calcolof0 14 
Massa
Massa cuscinetto  0.2kg