Non ci sono articoli nel tuo carrello
Prodotti
SCHEDA ARTICOLO

6212-2RS1

CUSCINETTO
Codice: 00528
Disponibilità: disponibile
Disponibilità: 407 disponibile
Marca: SKF
Unità di misura: NR
Quantitativi ammessi: multipli di 1X
€27,44

Descrizione

Dimensioni: Foro: 60 mm Diametro: 110 mm Spessore: 22 mm Peso: 0,8155 kg


Dettagli

  • EAN-Code : 07316570803488
  • Taric number : 84821090

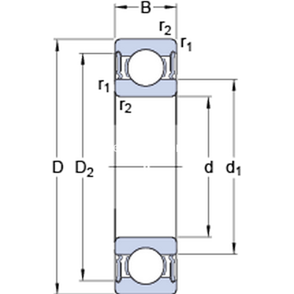
Dimensioni
d 60mm
D 110mm
B 22mm
d175.5mm
D298mm
r1,2min.1.5mm
Dimensioni Dello Spallamento
damin.69mm
damax.75.4mm
Damax.101mm
ramax.1.5mm
Dati Di Calcolo
Coefficiente di carico dinamicoC 55.3kN
Coefficiente di carico statico di baseC0 36kN
Carico limite di faticaPu 1.53kN
Velocità limite  4000r/min
Fattore di calcolokr 0.025 
Fattore di calcolof0 14.3 
Massa
Massa cuscinetto  0.82kg