Non ci sono articoli nel tuo carrello
Prodotti
SCHEDA ARTICOLO

629-Z

CUSCINETTO
Codice: 00426
Disponibilità: disponibile
Disponibilità: 35 disponibile
Marca: SKF
Unità di misura: NR
Quantitativi ammessi: multipli di 1X
Da preventivare

Descrizione

Dimensioni: Foro: 9 mm Diametro: 26 mm Spessore: 8 mm Peso: 0,0194 kg


Dettagli

  • EAN-Code : 07316570195323
  • Taric number : 84821010

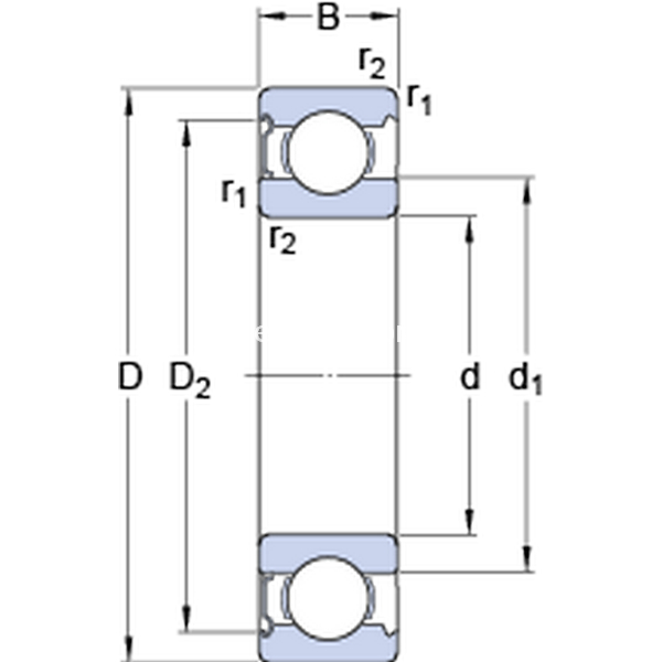
Dimensioni
d 9mm
D 26mm
B 8mm
d114.8mm
D222.6mm
r1,2min.0.3mm
Dimensioni Dello Spallamento
damin.11.4mm
damax.14.7mm
Damax.23.6mm
ramax.0.3mm
Dati Di Calcolo
Coefficiente di carico dinamicoC 4.75kN
Coefficiente di carico statico di baseC0 1.96kN
Carico limite di faticaPu 0.083kN
Velocità di riferimento  60000r/min
Velocità limite  38000r/min
Fattore di calcolokr 0.025 
Fattore di calcolof0 12 
Massa
Massa cuscinetto  0.02kg