Non ci sono articoli nel tuo carrello
SCHEDA ARTICOLO

7008 CD/P4A

CUSCINETTO
Codice: 39110
Disponibilità: Non disponibile
Disponibilità: Disponibile
Marca: SKF
Unità di misura: NR
Quantitativi ammessi: multipli di 1X
€229,11

Descrizione

Dimensioni: Foro: 40 mm Diametro: 68 mm Spessore: 15 mm Peso: 0,188 kg


Dettagli

  • EAN-Code :
  • Taric number : 84821090

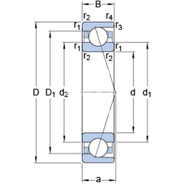
Dimensioni
d 40mm
D 68mm
B 15mm
d1 49.2mm
d2 49.2mm
D1 58.8mm
r1,2min.1mm
r3,4min.0.3mm
a 14.8mm
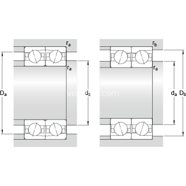
Dimensioni Dello Spallamento
damin.44.6mm
dbmin.44.6mm
Damax.63.4mm
Dbmax.66mm
ramax.1mm
rbmax.0.3mm
dn 50.8mm