Non ci sono articoli nel tuo carrello
SCHEDA ARTICOLO

7013 ACD/P4A

CUSCINETTO
Codice: 43016
Disponibilità: Non disponibile
Disponibilità: Disponibile
Marca: SKF
Unità di misura: NR
Quantitativi ammessi: multipli di 1X
Da preventivare

Descrizione

Dimensioni: Foro: 65 mm Diametro: 100 mm Spessore: 18 mm Peso: 0,42 kg


Dettagli

  • EAN-Code : 07316577651754
  • Taric number : 84821090

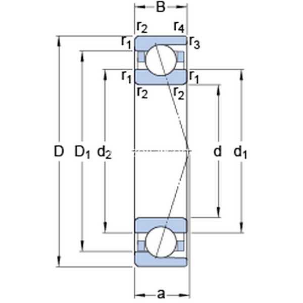
Dimensioni
d 65mm
D 100mm
B 18mm
d1 75.8mm
d2 75.8mm
D1 89.2mm
r1,2min.1.1mm
r3,4min.0.6mm
a 28.3mm
Dimensioni Dello Spallamento
damin.71mm
dbmin.71mm
Damax.94mm
Dbmax.96.8mm
ramax.1mm
rbmax.0.6mm
dn 78.1mm