Non ci sono articoli nel tuo carrello
SCHEDA ARTICOLO

NU 324 ECM/C3VL0241

CUSCINETTO ANELLO ESTERNO ISOLATO
Codice: L5661
Disponibilità: Non disponibile
Disponibilità: Disponibile
Marca: SKF
Unità di misura: NR
Quantitativi ammessi: multipli di 1X
Da preventivare

Descrizione

Dimensioni: Foro: 120 mm Diametro: 260 mm Spessore: 55 mm Peso: 14,64 kg


Dettagli

  • EAN-Code : 07316571428895
  • Taric number : 84825000

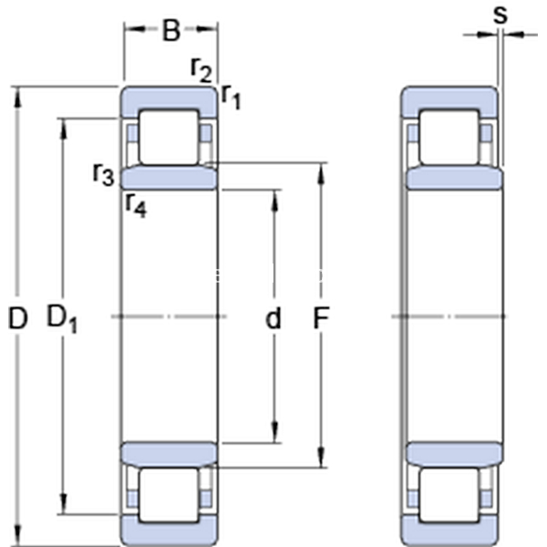
Dimensioni
d 120mm
D 260mm
B 55mm
D1219mm
F 154mm
smax.3.7mm
r1,2min.3mm
r3,4min.3mm
Dimensioni Dello Spallamento
damin.134mm
damax.150mm
dbmin.157mm
Damin.225mm
Damax.246mm
ramax.2.5mm
rbmax.2.5mm
Dati Di Calcolo
Coefficiente di carico dinamicoC 539kN
Coefficiente di carico statico di baseC0 620kN
Carico limite di faticaPu 69.5kN
Velocità di riferimento  2400r/min
Velocità limite  3200r/min
Fattore di calcolokr 0.15 
Massa
Massa cuscinetto  14.9kg