Non ci sono articoli nel tuo carrello
SCHEDA ARTICOLO

NU 2276 ECMA

CUSCINETTO
Codice: R2700
Disponibilità: Non disponibile
Disponibilità: Disponibile
Marca: SKF
Unità di misura: NR
Quantitativi ammessi: multipli di 1X
Da preventivare

Descrizione



  • EAN-Code : 07316577662644
  • Taric number : 84825000

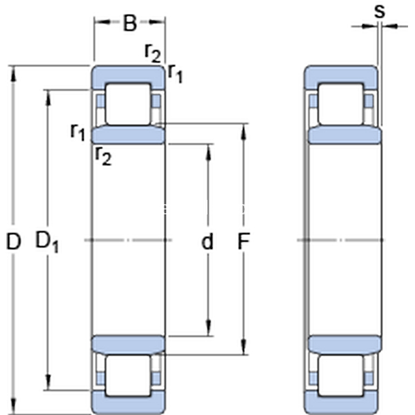
Dimensioni
d 380mm
D 680mm
B 175mm
D1595mm
F 451mm
r1,2min.6mm
smax.8.3mm
Dimensioni Dello Spallamento
damin.406mm
damax.445mm
dbmin.457mm
Damax.654mm
ramax.5mm
Dati Di Calcolo
Coefficiente di carico dinamicoC 3960kN
Coefficiente di carico statico di baseC0 6400kN
Carico limite di faticaPu 510kN
Velocità di riferimento  850r/min
Velocità limite  1300r/min
Fattore di calcolokr 0.2 
Calculation Data
Calcolo del carico: Valore limitee 0.3 
Calcolo del carico: Fattore di calcoloY 0 
Massa
Massa cuscinetto  288kg