Non ci sono articoli nel tuo carrello
SCHEDA ARTICOLO

NU 2310 ECP/C3

CUSCINETTO
Codice: 41188
Disponibilità: Disp. limitata
Disponibilità: 2 disponibile
Marca: SKF
Unità di misura: NR
Quantitativi ammessi: multipli di 1X
Da preventivare

Descrizione

Dimensioni: Foro: 50 mm Diametro: 110 mm Spessore: 40 mm Peso: 1,727 kg


Dettagli

  • EAN-Code : 07316577031990
  • Taric number : 84825000

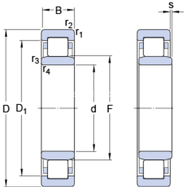
Dimensioni
d 50mm
D 110mm
B 40mm
D191.4mm
F 65mm
r1,2min.2mm
r3,4min.2mm
smax.3.4mm
Dimensioni Dello Spallamento
damin.60mm
damax.63mm
dbmin.67mm
Damax.99.6mm
ramax.2mm
rbmax.2mm
Dati Di Calcolo
Coefficiente di carico dinamicoC 186kN
Coefficiente di carico statico di baseC0 186kN
Carico limite di faticaPu 24.5kN
Velocità di riferimento  6700r/min
Velocità limite  8000r/min
Fattore di calcolokr 0.25 
Calculation Data
Calcolo del carico: Valore limitee 0.3 
Calcolo del carico: Fattore di calcoloY 0.4 
Massa
Massa cuscinetto  1.73kg