Non ci sono articoli nel tuo carrello
SCHEDA ARTICOLO

NU 2312 ECP/C3

CUSCINETTO
Codice: 45276
Disponibilità: disponibile
Disponibilità: 75 disponibile
Marca: SKF
Unità di misura: NR
Quantitativi ammessi: multipli di 1X
Da preventivare

Descrizione

Dimensioni: Foro: 60 mm Diametro: 130 mm Spessore: 46 mm Peso: 2,744 kg


Dettagli

  • EAN-Code :
  • Taric number : 84825000

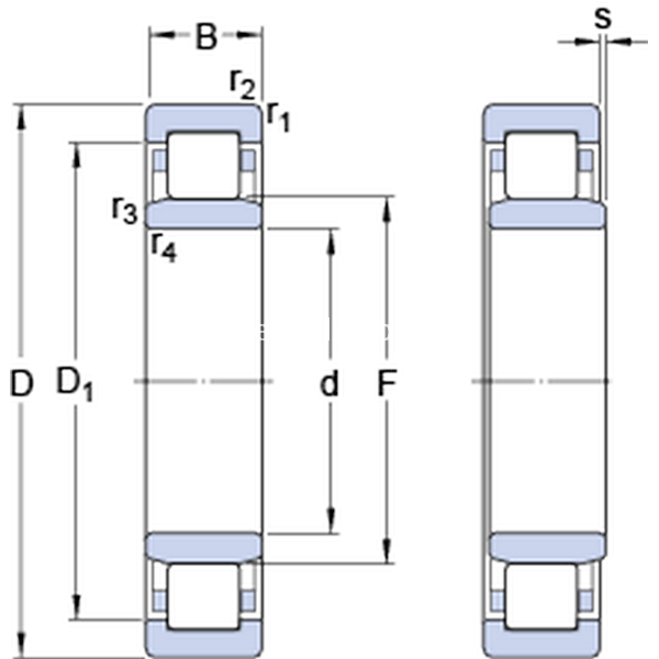
Dimensioni
d 60mm
D 130mm
B 46mm
D1108.5mm
F 77mm
r1,2min.2.1mm
r3,4min.2.1mm
smax.3.6mm
Dimensions
Dimensioni Dello Spallamento
damin.72mm
damax.74mm
dbmin.79mm
Damax.118.1mm
ramax.2mm
rbmax.2mm
Dati Di Calcolo
Coefficiente di carico dinamicoC 260kN
Coefficiente di carico statico di baseC0 265kN
Carico limite di faticaPu 34.5kN
Velocità di riferimento  5600r/min
Velocità limite  6700r/min
Fattore di calcolokr 0.25 
Calculation Data
Calcolo del carico: Valore limitee 0.3 
Calcolo del carico: Fattore di calcoloY 0.4 
Massa
Massa cuscinetto  2.74kg