Non ci sono articoli nel tuo carrello
SCHEDA ARTICOLO

NU 252 MA/C3

CUSCINETTO
Codice: 83386
Disponibilità: Non disponibile
Disponibilità: Disponibile
Marca: SKF
Unità di misura: NR
Quantitativi ammessi: multipli di 1X
Da preventivare

Descrizione

Dimensioni: Foro: 260 mm Diametro: 480 mm Spessore: 80 mm


Dettagli

  • EAN-Code : 07316577314758
  • Taric number : 84825000

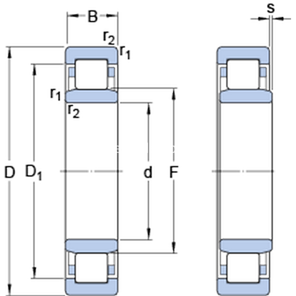
Dimensioni
d 260mm
D 480mm
B 80mm
D1397mm
F 320mm
r1,2min.5mm
smax.3.4mm
Dimensioni Dello Spallamento
damin.280mm
damax.313mm
dbmin.324mm
Damax.460mm
ramax.4mm
Dati Di Calcolo
Coefficiente di carico dinamicoC 1170kN
Coefficiente di carico statico di baseC0 1700kN
Carico limite di faticaPu 150kN
Velocità di riferimento  1400r/min
Velocità limite  2000r/min
Fattore di calcolokr 0.15 
Calculation Data
Calcolo del carico: Valore limitee 0.2 
Calcolo del carico: Fattore di calcoloY 0.6 
Massa
Massa cuscinetto  68.5kg