Non ci sono articoli nel tuo carrello
SCHEDA ARTICOLO

NU 256 MA

CUSCINETTO
Codice: 81109
Disponibilità: Non disponibile
Disponibilità: Disponibile
Marca: SKF
Unità di misura: NR
Quantitativi ammessi: multipli di 1X
Da preventivare

Descrizione

Dimensioni: Foro: 280 mm Diametro: 500 mm Spessore: 80 mm


Dettagli

  • EAN-Code : 07316570531671
  • Taric number : 84825000

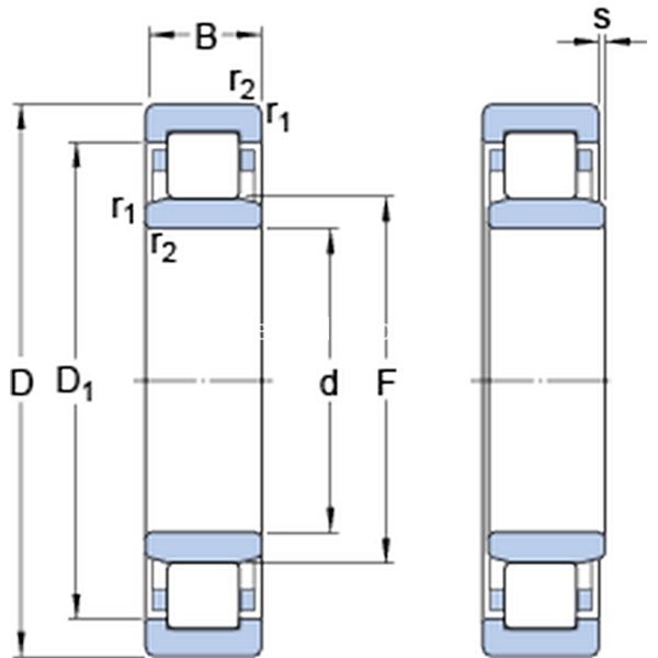
Dimensioni
d 280mm
D 500mm
B 80mm
D1417mm
F 340mm
r1,2min.5mm
smax.3.8mm
Dimensioni Dello Spallamento
damin.300mm
damax.333mm
dbmin.344mm
Damax.480mm
ramax.4mm
Dati Di Calcolo
Coefficiente di carico dinamicoC 1190kN
Coefficiente di carico statico di baseC0 1800kN
Carico limite di faticaPu 156kN
Velocità di riferimento  1400r/min
Velocità limite  1900r/min
Fattore di calcolokr 0.15 
Calculation Data
Calcolo del carico: Valore limitee 0.2 
Calcolo del carico: Fattore di calcoloY 0.6 
Massa
Massa cuscinetto  71.5kg