Non ci sono articoli nel tuo carrello
SCHEDA ARTICOLO

NU 304 ECP/C3

CUSCINETTO
Codice: V1309
Disponibilità: Non disponibile
Disponibilità: Disponibile
Marca: SKF
Unità di misura: NR
Quantitativi ammessi: multipli di 1X
€35,97

Descrizione

Dimensioni: Foro: 20 mm Diametro: 52 mm Spessore: 15 mm Peso: 0,1474 kg


Dettagli

  • EAN-Code : 07316577059932
  • Taric number : 84825000

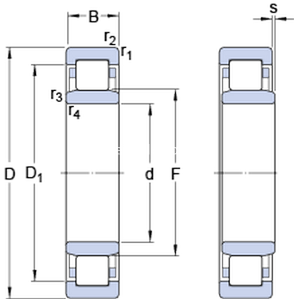
Dimensioni
d 20mm
D 52mm
B 15mm
D141.85mm
F 27.5mm
r1,2min.1.1mm
r3,4min.0.6mm
smax.0.9mm
Dimensions
Dimensioni Dello Spallamento
damin.24.1mm
damax.26.2mm
dbmin.29mm
Damax.45.4mm
ramax.1mm
rbmax.0.6mm
Dati Di Calcolo
Coefficiente di carico dinamicoC 35.5kN
Coefficiente di carico statico di baseC0 26kN
Carico limite di faticaPu 3.25kN
Velocità di riferimento  15000r/min
Velocità limite  18000r/min
Fattore di calcolokr 0.15 
Calculation Data
Calcolo del carico: Valore limitee 0.2 
Calcolo del carico: Fattore di calcoloY 0.6 
Massa
Massa cuscinetto  0.14kg