Non ci sono articoli nel tuo carrello
SCHEDA ARTICOLO

NU 305 ECJ

CUSCINETTO
Codice: 02311
Disponibilità: disponibile
Disponibilità: 10 disponibile
Marca: SKF
Unità di misura: NR
Quantitativi ammessi: multipli di 1X
€53,03

Descrizione

Dimensioni: Foro: 25 mm Diametro: 62 mm Spessore: 17 mm Peso: 0,245 kg


Dettagli

  • EAN-Code : 07316577059963
  • Taric number : 84825000

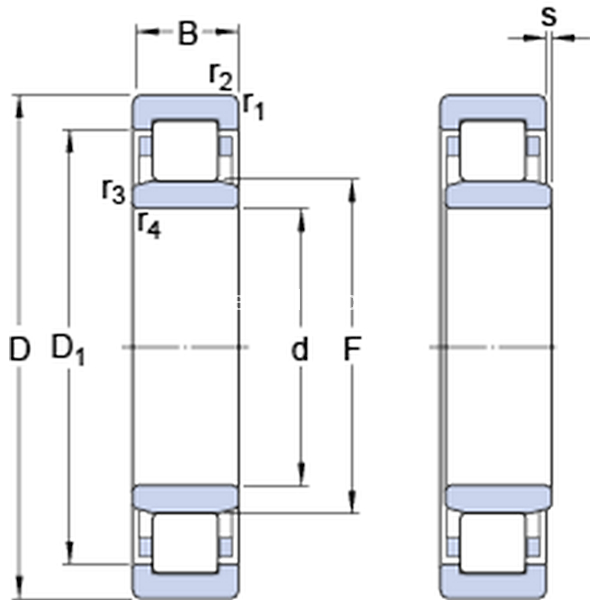
Dimensioni
d 25mm
D 62mm
B 17mm
D150.15mm
F 34mm
r1,2min.1.1mm
r3,4min.1.1mm
smax.1.3mm
Dimensions
Dimensioni Dello Spallamento
damin.31mm
damax.32.5mm
dbmin.36mm
Damax.54.9mm
ramax.1mm
rbmax.1mm
Dati Di Calcolo
Coefficiente di carico dinamicoC 46.5kN
Coefficiente di carico statico di baseC0 36.5kN
Carico limite di faticaPu 4.55kN
Velocità di riferimento  12000r/min
Velocità limite  15000r/min
Fattore di calcolokr 0.15 
Calculation Data
Calcolo del carico: Valore limitee 0.2 
Calcolo del carico: Fattore di calcoloY 0.6 
Massa
Massa cuscinetto  0.24kg