Non ci sono articoli nel tuo carrello
SCHEDA ARTICOLO

NU 307 ECP/C3

CUSCINETTO
Codice: 67343
Disponibilità: Disp. limitata
Disponibilità: 1 disponibile
Marca: SKF
Unità di misura: NR
Quantitativi ammessi: multipli di 1X
€49,46

Descrizione

Dimensioni: Foro: 35 mm Diametro: 80 mm Spessore: 21 mm Peso: 0,4732 kg


Dettagli

  • EAN-Code : 07316571169934
  • Taric number : 84825000

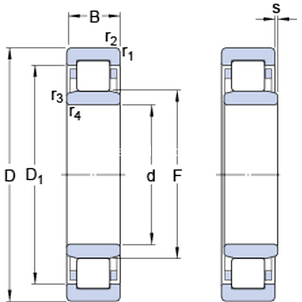
Dimensioni
d 35mm
D 80mm
B 21mm
D165.8mm
F 46.2mm
r1,2min.1.5mm
r3,4min.1.1mm
smax.1.2mm
Dimensions
Dimensioni Dello Spallamento
damin.42mm
damax.44mm
dbmin.48mm
Damax.72.2mm
ramax.1.5mm
rbmax.1mm
Dati Di Calcolo
Coefficiente di carico dinamicoC 75kN
Coefficiente di carico statico di baseC0 63kN
Carico limite di faticaPu 8.15kN
Velocità di riferimento  9500r/min
Velocità limite  11000r/min
Fattore di calcolokr 0.15 
Calculation Data
Calcolo del carico: Valore limitee 0.2 
Calcolo del carico: Fattore di calcoloY 0.6 
Massa
Massa cuscinetto  0.47kg