Non ci sono articoli nel tuo carrello
SCHEDA ARTICOLO

NU 308 ECP/C3

CUSCINETTO
Codice: 41953
Disponibilità: disponibile
Disponibilità: 12 disponibile
Marca: SKF
Unità di misura: NR
Quantitativi ammessi: multipli di 1X
€59,09

Descrizione

Dimensioni: Foro: 40 mm Diametro: 90 mm Spessore: 23 mm Peso: 0,649 kg


Dettagli

  • EAN-Code : 07316577031501
  • Taric number : 84825000

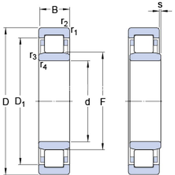
Dimensioni
d 40mm
D 90mm
B 23mm
D175mm
F 52mm
r1,2min.1.5mm
r3,4min.1.5mm
smax.1.4mm
Dimensions
Dimensioni Dello Spallamento
damin.48mm
damax.50mm
dbmin.54mm
Damax.81.8mm
ramax.1.5mm
rbmax.1.5mm
Dati Di Calcolo
Coefficiente di carico dinamicoC 93kN
Coefficiente di carico statico di baseC0 78kN
Carico limite di faticaPu 10.2kN
Velocità di riferimento  8000r/min
Velocità limite  9500r/min
Fattore di calcolokr 0.15 
Calculation Data
Calcolo del carico: Valore limitee 0.2 
Calcolo del carico: Fattore di calcoloY 0.6 
Massa
Massa cuscinetto  0.65kg