Non ci sono articoli nel tuo carrello
SCHEDA ARTICOLO

NU 326 ECM

CUSCINETTO
Codice: 46328
Disponibilità: disponibile
Disponibilità: 6 disponibile
Marca: SKF
Unità di misura: NR
Quantitativi ammessi: multipli di 1X
€1408,34

Descrizione

Dimensioni: Foro: 130 mm Diametro: 280 mm Spessore: 58 mm Peso: 17,95 kg


Dettagli

  • EAN-Code : 07316576625510
  • Taric number : 84825000

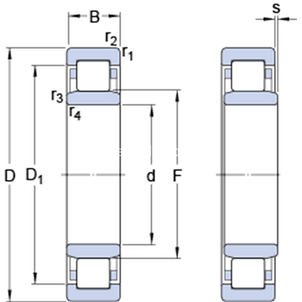
Dimensioni
d 130mm
D 280mm
B 58mm
D1234.2mm
F 167mm
r1,2min.4mm
r3,4min.4mm
smax.3.7mm
Dimensions
Dimensioni Dello Spallamento
damin.147mm
damax.163mm
dbmin.170mm
Damax.261.4mm
ramax.3mm
rbmax.3mm
Dati Di Calcolo
Coefficiente di carico dinamicoC 720kN
Coefficiente di carico statico di baseC0 750kN
Carico limite di faticaPu 81.5kN
Velocità di riferimento  2400r/min
Velocità limite  3000r/min
Fattore di calcolokr 0.15 
Calculation Data
Calcolo del carico: Valore limitee 0.2 
Calcolo del carico: Fattore di calcoloY 0.6 
Massa
Massa cuscinetto  18kg