Non ci sono articoli nel tuo carrello
SCHEDA ARTICOLO

NU 344 M

CUSCINETTO
Codice: H5975
Disponibilità: Disp. limitata
Disponibilità: 1 disponibile
Marca: SKF
Unità di misura: NR
Quantitativi ammessi: multipli di 1X
Da preventivare

Descrizione

Dimensioni: Foro: 220 mm Diametro: 460 mm Spessore: 88 mm Peso: 75 kg


Dettagli

  • EAN-Code : 07316577109927
  • Taric number : 84825000

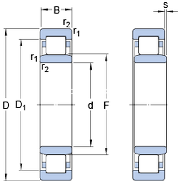
Dimensioni
d 220mm
D 460mm
B 88mm
D1371mm
F 284mm
r1,2min.5mm
smax.5.2mm
Dimensioni Dello Spallamento
damin.240mm
damax.277mm
dbmin.288mm
Damax.440mm
ramax.4mm
Dati Di Calcolo
Coefficiente di carico dinamicoC 1210kN
Coefficiente di carico statico di baseC0 1630kN
Carico limite di faticaPu 150kN
Velocità di riferimento  1500r/min
Velocità limite  1700r/min
Fattore di calcolokr 0.15 
Calculation Data
Calcolo del carico: Valore limitee 0.2 
Calcolo del carico: Fattore di calcoloY 0 
Massa
Massa cuscinetto  75kg