Non ci sono articoli nel tuo carrello
SCHEDA ARTICOLO

QJ 304 MA

CUSCINETTO
Codice: 51707
Disponibilità: Disp. limitata
Disponibilità: 4 disponibile
Marca: SKF
Unità di misura: NR
Quantitativi ammessi: multipli di 1X
€92,44

Descrizione

Dimensioni: Foro: 20 mm Diametro: 52 mm Spessore: 15 mm Peso: 0,1772 kg


Dettagli

  • EAN-Code : 07316576632235
  • Taric number : 84821090

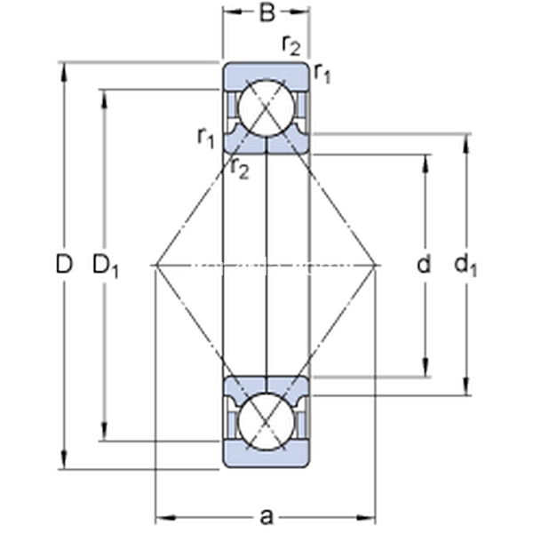
Dimensioni
d 20mm
D 52mm
B 15mm
d127.5mm
D140.8mm
a 25mm
r1,2min.1.1mm
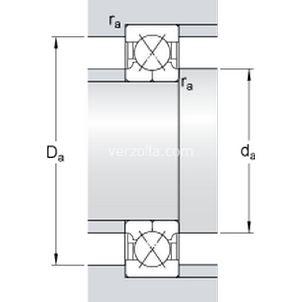
Dimensioni Dello Spallamento
damin.27mm
Damax.45mm
ramax.1mm
Dati Di Calcolo
Coefficiente di carico dinamicoC 32kN
Coefficiente di carico statico di baseC0 21.6kN
Carico limite di faticaPu 0.93kN
Velocità limite  24000r/min
Fattore di calcoloA 0.00143 
Fattore di calcoloe 0.95 
Fattore di calcoloX 0.6 
Fattore di calcoloY0 0.58 
Fattore di calcoloY1 0.66 
Fattore di calcoloY2 1.07 
Massa
Massa cuscinetto  0.18kg