Non ci sono articoli nel tuo carrello
SCHEDA ARTICOLO

RLS 8-2RS1

CUSCINETTO
Codice: 85654
Disponibilità: Disp. limitata
Disponibilità: 3 disponibile
Marca: SKF
Unità di misura: NR
Quantitativi ammessi: multipli di 1X
Da preventivare

Descrizione

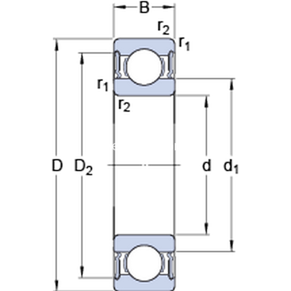
Dimensioni: Foro: 25,4 mm Diametro: 57,15 mm Spessore: 15,875 mm Peso: 0,172 kg


Dettagli

  • EAN-Code : 07316577017697
  • Taric number : 84821090

Dimensioni
d 25.4mm
D 57.15mm
B 15.875mm
d135.58mm
D249.33mm
r1,2min.1.6mm
Dimensioni Dello Spallamento
damin.33mm
damax.35.3mm
Damax.50mm
ramax.1.5mm
Dati Di Calcolo
Coefficiente di carico dinamicoC 17.8kN
Coefficiente di carico statico di baseC0 9.65kN
Carico limite di faticaPu 0.405kN
Velocità limite  8000r/min
Fattore di calcolokr 0.025 
Fattore di calcolof0 13 
Massa
Massa cuscinetto  0.18kg