Non ci sono articoli nel tuo carrello
Prodotti
SCHEDA ARTICOLO

6001-2RSLTN9/HC5C3WT

CUSCINETTO SFERE CERAMICA
Codice: M2598
Disponibilità: Disp. limitata
Disponibilità: 4 disponibile
Marca: SKF
Unità di misura: NR
Quantitativi ammessi: multipli di 1X
Da preventivare

Descrizione

Dimensioni: Foro: 12 mm Diametro: 28 mm Spessore: 8 mm Peso: 0,0178 kg


Dettagli

  • EAN-Code : 07316572024638
  • Taric number : 84821010

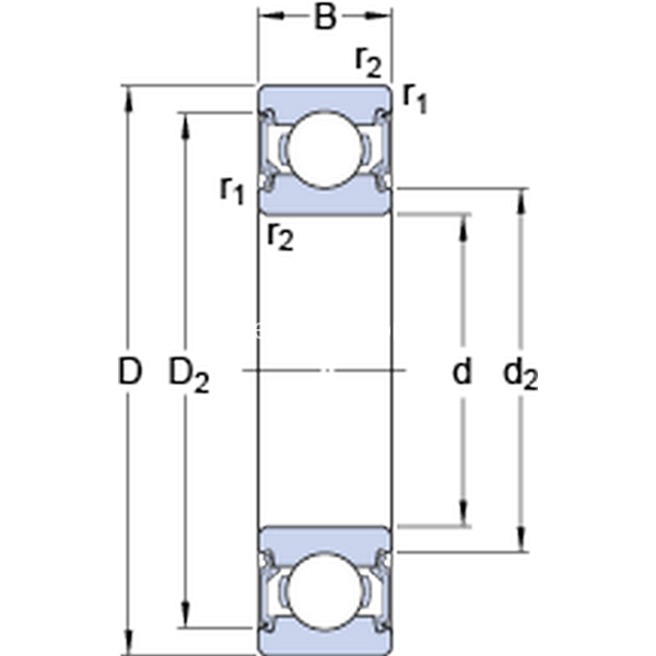
Dimensioni
d 12mm
D 28mm
B 8mm
d215.2mm
D224.8mm
r1,2min.0.3mm
Dimensioni Dello Spallamento
damin.14mm
damax.15mm
Damax.26mm
ramax.0.3mm
Dati Di Calcolo
Coefficiente di carico dinamicoC 5.4kN
Coefficiente di carico statico di baseC0 2.36kN
Carico limite di faticaPu 0.1kN
Velocità di riferimento  65000r/min
Velocità limite  30000r/min
Fattore di calcolokr 0.025 
Fattore di calcolof0 13.1 
Massa
Massa cuscinetto  0.022kg