Non ci sono articoli nel tuo carrello
SCHEDA ARTICOLO

MB 23

ROSETTA
Codice: 03318
Disponibilità: disponibile
Disponibilità: 53 disponibile
Marca: SKF
Unità di misura: NR
Quantitativi ammessi: multipli di 1X
Da preventivare

Descrizione

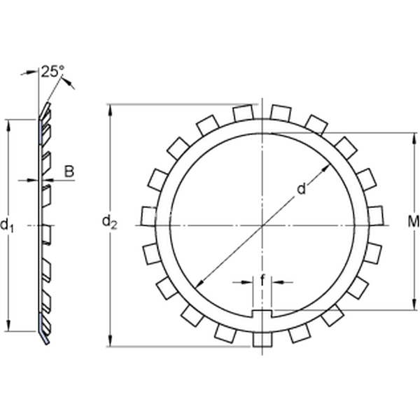
Dimensioni: Foro: 115 mm Diametro: 159 mm Spessore: 2 mm Peso: 0,1078 kg


Dettagli

  • EAN-Code : 07316577011664
  • Taric number : 84829900

Dimensioni
d 115mm
d1 137mm
d2 159mm
B 2mm
f 12mm
M 110.5mm
Massa
Massa rosetta di sicurezza  0.11kg